Share My Creation OLED Code Lock

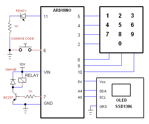
Electronic lock 4 digits code. Digits are stored in the EEPROM. To change code press pushbutton once and enter 4 digits. The relay operates for 2 seconds to unlock. B4R code uses rEEPROM lib and rWIRE lib.
The keypad is matrix 3x4, the Oled is 0.96", 128x64, SSD1306 driver, I2C. The code lock can be used without the Oled screen, use READY LED instead.
On new Arduino first enter new code because the chip has blank EEPROM.
 

Attachments

  • codelock_b4r.zip
    2.2 KB · Views: 514
  • codelock400.jpg
    codelock400.jpg
    31.9 KB · Views: 2,081
  • codelock_arduino.gif
    codelock_arduino.gif
    7.2 KB · Views: 523
Last edited:
Top