Arduino Uno or Nano generates 244-8,000,000 Hz by dividing the 16 MHz crystal oscillator. The pushbuttons set the division from 255 Hz to 8 MHz, holding the button advance the frequency every second.. The high frequency output at pin 9 is 8000000 / (division + 1) , the low frequency output at pin 11 is 62500 / (division + 1). Division is by integer so not all frequencies can be set, for example the High Frequency output can be 8, 4, 2.666, 2, 1.6, 1.333 MHz etc.
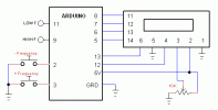
The LCD of 16x2 display the High and Low Frequencies. The LCD module has to be HD44780 compatible.
The outputs are generated by using Timer2 and Timer1 in CTC mode using C code.
The LCD of 16x2 display the High and Low Frequencies. The LCD module has to be HD44780 compatible.
The outputs are generated by using Timer2 and Timer1 in CTC mode using C code.
B4X:
Sub Process_Globals
Public Serial1 As Serial
Public lcd As LiquidCrystal
Public out11 As Pin
Public out9 As Pin
Public in2 As Pin
Public in3 As Pin
Public set As Byte
End Sub
Private Sub AppStart
'initialize the display(RS As Byte, RW As Byte, Enable As Byte
'RS pin > Arduino digital pin 12
'RW pin > 255 means mot used
'Enable pin > Arduino digital pin 13
'DataPins: Arduino digital pins 8,7,6,5
lcd.Initialize(12, 255, 13, Array As Byte(8, 7, 6, 5)) 'lcd pins: 4,6,11,12,13,14
lcd.Begin(16, 2) 'set the display type 2 * 16 characters
lcd.SetCursor(6, 0)
lcd.Write("Hi") 'write in the first line
RunNative ("setTimers",Null)
out11.Initialize(11, out11.MODE_OUTPUT)
out9.Initialize(9, out9.MODE_OUTPUT)
in2.Initialize(2, in2.MODE_INPUT_PULLUP)
in3.Initialize(3, in3.MODE_INPUT_PULLUP)
main_loop
End Sub
Private Sub main_loop
Do While True
If in2.DigitalRead=False Then
set=set+1
RunNative ("adjust_freq",Null)
display
End If
If in3.DigitalRead=False Then
set=set-1
RunNative ("adjust_freq",Null)
display
End If
Loop
End Sub
Private Sub display
Dim d(7), dl(5), i As Byte
Dim freq2, freq As ULong
Dim freq2L, freqL As UInt
freq = 8000000 / (set + 1)
freq2= freq
For i=0 To 6
d(i)=freq2 Mod 10
freq2=freq2/10
Next
freqL = 62500 / (set + 1)
freq2L=freqL
For i=0 To 4
dl(i)=freq2L Mod 10
freq2L=freq2L/10
Next
lcd.Clear
If freq > 999999 Then
lcd.setCursor(2, 0)
lcd.Write(d(6))
lcd.setCursor(3, 0)
lcd.Write(",")
End If
If freq > 99999 Then
lcd.setCursor(4, 0)
lcd.Write(d(5))
End If
lcd.setCursor(5, 0)
lcd.Write(d(4))
lcd.setCursor(6, 0)
lcd.Write(d(3))
lcd.setCursor(7, 0)
lcd.Write(",")
lcd.setCursor(8, 0)
lcd.Write(d(2))
lcd.setCursor(9, 0)
lcd.Write(d(1))
lcd.setCursor(10, 0)
lcd.Write(d(0))
lcd.setCursor(12, 0)
lcd.Write("Hz")
If freqL > 9999 Then
lcd.setCursor(5, 1)
lcd.Write(dl(4))
End If
If freqL > 999 Then
lcd.setCursor(6, 1)
lcd.Write(dl(3))
lcd.setCursor(7, 1)
lcd.Write(",")
End If
lcd.setCursor(8, 1)
lcd.Write(dl(2))
lcd.setCursor(9, 1)
lcd.Write(dl(1))
lcd.setCursor(10, 1)
lcd.Write(dl(0))
lcd.setCursor(12, 1)
lcd.Write("Hz")
Delay(1000)
End Sub
#if C
void setTimers(B4R::Object* o)
{
//set timer2
OCR2A = 127; //
TCCR2A = 0b01000010; //CTC mode,
TCCR2B = 0b10000101; //CTC mode, prescale=1:128
// set timer1
OCR1A = 127;
TCCR1A = 0b01000000; //CTC mode
TCCR1B = 0b00001001; //CTC mode, prescale=1
// OCR0A = 127;
// TCCR0A = 0b01000010; //CTC mode,
// TCCR0B = 0b10000001; //CTC mode, prescale=1
}
void adjust_freq(B4R::Object* o)
{
OCR2A = b4r_main::_set;
OCR1A = b4r_main::_set;
}
#End if